/ 제품 / 파워 센서 / 분할 코어 전류 변압기 / UL 인증 AKH-0.66/K-Φ 스플릿 코어 변류기 CT

UL 인증 AKH-0.66/K-Φ 스플릿 코어 변류기 CT

UL 인증

고정확도 클래스 0.5

분할 코어 개방형

정격 전류: 100-400A

mA/mV/A 출력

정격전압 AC0.69kV

018702106858 / 021-69156352

[email protected]

  • 설명하다
  • Acrel에서 생산하는 AKH-0.66/K UL 시리즈 변류기는 UL 인증을 받았으며 전력 유지 관리 및 전기 개조 프로젝트용으로 설계되었습니다. 이 변압기는 컴팩트한 크기, 높은 정밀도 및 강력한 부하 용량이 특징입니다. 이 제품은 mV, mA, 5A, 1A 출력을 포함한 다양한 출력 옵션을 제공하며 정격 입력 전류 범위는 20A~400A입니다. 정격전압은 AC 0.66kV이고 주파수는 50~60Hz이다. 온도가 -30°C ~ 60°C(특정 모델의 경우 최대 70°C)이고 고도가 3000m 이하인 환경에서 작동할 수 있습니다. 이 변압기는 전력 시스템에서 뛰어난 성능을 제공하여 높은 정확성과 신뢰성을 보장합니다.

  • 사양
  • 모델 1차 전류 2차 전류 정확도 VA/Ω 직경(mm)
    K-Φ16-M 20-120A (10-50mA) 클래스 0.5S 10Ω Φ16

    K-Φ16-U

    (100-333)mV 클래스 0.5S 10Ω
    K-Φ24-M 100A 20mA 클래스 0.5S 10Ω
    10Ω
    10Ω
    10Ω
    10Ω
    Φ23
    100A-300A 40mA 클래스 0.5S
    100A-300A 50mA 클래스 0.5S
    100A-150A 100mA 1등급
    200A-400A 100mA 클래스 0.5S
    K-Φ24-U 100A-400A (100-333)mV 클래스 0.5S /
    K-Φ24-A 150-200A 5A 1등급
    200-300A 1등급 1.5Ω
    K-Φ24-B 150-200A 1A 1등급
    200-300A 1등급 1.5Ω

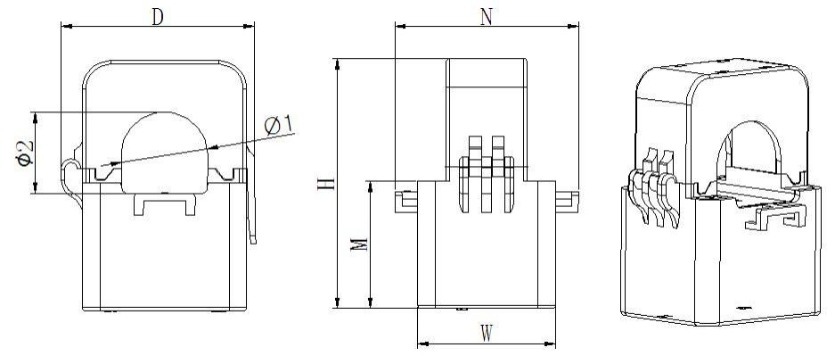
  • 치수 및 배선도

  • 응용 시나리오
아크렐 소개
"최적화된 에너지 효율성, 녹색 미래 강화."

2003년에 설립된 Acrel Co., Ltd.【주식 코드: 300286.SZ】는 에너지 관리 솔루션 및 전기 안전을 전문으로 하는 첨단 기술 기업입니다. 상하이에 본사를 둔 Acrel은 마이크로그리드 에너지 효율성과 전기 안전을 위한 혁신적이고 지속 가능한 솔루션을 제공합니다. 600개 이상의 특허와 소프트웨어 저작권을 보유한 Acrel은 전 세계적으로 28,000개 이상의 시스템 솔루션을 배포하여 포괄적인 "클라우드 엣지 엔드" 에너지 인터넷 아키텍처를 형성했습니다.

Acrel Co., Ltd. is China Wholesale UL 인증 AKH-0.66/K-Φ 스플릿 코어 변류기 CT Manufacturers and UL 인증 AKH-0.66/K-Φ 스플릿 코어 변류기 CT Factory. Acrel's integrated product ecosystem spans from cloud platform software to end-user components, covering sectors such as power, renewable energy, data centers, smart buildings, transportation, and smart cities. These solutions enable intelligent, real-time energy management, enhancing energy security and reducing operational costs. We offer UL 인증 AKH-0.66/K-Φ 스플릿 코어 변류기 CT for sale.

회사의 생산 시설인 Jiangsu Acrel Electric Manufacturing Co., Ltd.는 첨단 테스트 센터와 무연 생산 공정에 대한 약속을 통해 엄격한 품질 표준과 환경 지침을 준수합니다. 500명 이상의 엔지니어로 구성된 Acrel 팀은 최첨단 에너지 효율 시스템과 스마트 에너지 솔루션을 제공합니다.

강력한 국내 입지를 바탕으로 Acrel은 영업 및 기술 팀의 글로벌 네트워크와 전 세계적으로 원활한 서비스 경험을 보장하는 전자 상거래 플랫폼의 지원을 받아 국제적으로 적극적으로 확장하고 있습니다. Acrel은 기업이 효율성을 개선하고 소비를 줄이며 지속 가능성 목표를 달성하도록 돕는 것을 자랑스럽게 생각합니다.

우리는 함께 더욱 스마트하고 친환경적인 미래를 만들어가고 있습니다.

  • 승인된 특허

    0+
  • 서비스를 받은 고객 수

    0+
  • 총 직원 수

    0+
  • 제조기지

    0
기업 인증

강력한 역량으로 기업의 역량을 강화합니다.

  • IEC
  • CE-MID
  • UL
  • RoHS 규제
뉴스
  • 현대의 전기 환경은 주로 발전, 전송 및 배전을 위한 교류(AC)가 상호 연결된 전력 시스템의 복잡한 태피스트리입니다. 그러나 재생 가능 에너지, 에너지 저장, 전기 자동차 및 산업 공정의 증가로 인해 직류(DC) 시스템이 매우 중요한 위치에 놓이게 되었습니다. AC와 DC 기술의 이러한 공존은 엔지니어, 지정자 및 구매자에게 근본적인 질문을 제기합니다. 보호 요구 사항과 전기 보호 릴레이 이 두 가지 기본 전기 아키텍처가 서로 다른가요? 대답은 '예'입니다. 결함을 격리하여 생명과 ...

    Read More
  • 현대 전력망은 엔지니어링의 걸작으로, 발전원에서 최종 사용자에게 놀라운 신뢰성으로 전력을 공급하도록 설계된 방대하고 상호 연결된 네트워크입니다. 이 시스템의 중심에는 광대한 거리에 걸쳐 엄청난 양의 에너지를 운반하는 근육 동맥인 고전압 송전선이 있습니다. 이러한 중요한 경로의 보안과 안정성은 가장 중요하며 이를 보호하는 것은 정교한 규율입니다. 이 보호 체계에서 가장 중요한 구성 요소 중에는 원격 보호 계전기로 알려진 특수 장치가 있습니다. 그리드의 취약성과 속도의 필요성 이해 고전압 송전선로는 낙뢰, 장비 고장, ...

    Read More
  • 전기 유지 관리, 에너지 관리 및 시스템 신뢰성 영역에서 전력 품질 분석기 필수 불가결합니다. 이러한 장치는 단순한 전압 변동부터 복잡한 과도 현상에 이르기까지 광범위한 전기 문제를 진단하기 위한 초석이 되어 왔습니다. 도매업자와 구매자를 위해 시장은 기본적인 문제 해결 도구부터 고도로 정교한 분석 장비에 이르기까지 광범위한 제품을 제공합니다. A의 기본 능력 전력 품질 분석기 이제 전압, 전류, 주파수와 같은 매개변수를 측정하는 것이 기본 기대값으로 간주됩니다. 진정한 차별화와 최고 수준...

    Read More
(주)아크렐