말레이시아 병원에 Acrel 의료 IT 시스템 적용
/ 프로젝트 / 병원 / 말레이시아 병원에 Acrel 의료 IT 시스템 적용

말레이시아 병원에 Acrel 의료 IT 시스템 적용

병원에서 전자 의료 장비의 사용이 증가함에 따라 누출 전류 위험은 특히 중요한 치료 환경에서 환자 안전에 심각한 위협이 됩니다. 수술이나 마취 중에 환자는 다양한 전극과 센서에 직접 연결됩니다. 의료기기가 인체에 직접 닿으면 최소한의 누설 전류라도 감전을 일으킬 수 있습니다.

또한, 중증 환자를 위한 생명 유지 장비는 중단 없이 작동을 유지해야 합니다. 전원이 중단되면 즉시 환자의 생명이 위험해질 수 있습니다. 따라서 병원 전기 시스템은 지정된 구역에 IT 전원 공급 시스템을 구현하여 국가 표준을 엄격하게 준수해야 합니다.

이 사례 연구에서는 말레이시아에서 Acrel의 의료용 절연 전원 공급 장치 시스템을 적용한 방법을 보여줍니다.

의료IT 전력분배

절연 모니터링 장치

오류 위치 시스템

문의하기
  • 프로젝트 개요
  • 프로젝트 개요
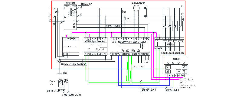
    Malaysia I.E.D는 SELANGOR DARUL EHSAN에 위치하고 있으며 프로젝트는 주로 말레이시아 섬 병원에서 사용됩니다. 제품은 3세트 병원 절연 전원 시스템의 12개 회로 절연 결함 위치 파악에 사용됩니다. 관련 제품은 절연 모니터 장치 AIM-M200, 신호 테스트 발생기 ASG150, 중앙 경보 표시기 AID150, 절연 결함 탐지기 AIL150-8, AIL150-4 및 누설 전류 변압기입니다. AKH-0.66P26.


    의료IT 시스템 소개
    ACREL 의료 IT 시스템 절연 모니터링 장치 및 결함 위치 확인 시스템은 병원 수술실, 중환자실(CCU) 및 기타 중요한 장소에 적합하며 지속적이고 안정적인 전력 솔루션을 위한 안전한 장소를 제공할 수 있습니다.


    의료 현장을 위한 전원 공급 솔루션
    ICU, CCU 병동 분배 솔루션(예: GGF-I8G 절연 전기 캐비닛 시스템 다이어그램)


    결함 위치 기능이 없는 옵션 I


    오류 위치 확인 기능이 있는 옵션 II

    참고: 중환자실의 전력 분배 솔루션에서 AID 시리즈 중앙 집중식 경보 및 디스플레이 장치는 간호사 스테이션에 설치되어야 하며 간호사 스테이션의 병원 직원은 각 격리된 전원 시스템의 작동 상태를 모니터링합니다.


    수술실 분배 솔루션(예: GGF-O8G 절연 전기 캐비닛 시스템 다이어그램)

    절연 결함 위치 파악 기능이 없는 옵션 I


    절연 결함 위치 확인 기능이 있는 옵션 II

    1. 수술실 배전 솔루션에서 AID 시리즈 외부 경보 및 디스플레이 장치는 수술실 내부 인텔리전스 패널 또는 인텔리전스 패널 옆(벽걸이 설치)에 설치해야 합니다. 수술 중 의료진은 격리된 전원 시스템의 상태를 모니터링합니다.

    2. 절연 결함 위치 파악 기능이 있는 방식에서 발견된 채널 수가 8개보다 많으면 AIL150 탐지기 2세트를 사용할 수 있습니다. 조합은 AIL150-8 및 AIL150-4(최대 12개 채널) 또는 AIL150-8 및 AIL150-8(최대 16개 채널)일 수 있습니다.

    3. 일반적인 배선 다이어그램






    4. 7-Piece 의료IT 도입

    제품명 및 유형 제품 사진 설명
    AITR 시리즈 의료 절연 변압기 AITR 시리즈 절연 변압기는 의료 IT 시스템에 특별히 사용됩니다. 권선은 이중 절연 처리되었으며 정전기 차폐층이 있어 권선 사이의 전자기 간섭을 줄입니다. PT100 온도 센서는 변압기의 온도를 모니터링하기 위해 와이어 백에 설치됩니다. 몸체 전체를 진공침투도료로 처리하여 기계적 강도와 내식성을 높였습니다. 이 제품은 온도 상승 성능이 좋고 소음이 매우 낮습니다.
    AIM-M200 의료용 지능형 절연 모니터링 장비 AIM-M200 의료 지능형 절연 모니터링 장비는 고도의 통합, 컴팩트한 크기, 편리한 설치를 갖추고 지능, 디지털화 및 네트워킹을 하나로 통합하는 고급 마이크로 컨트롤러 기술을 채택합니다. 수술실, 중환자실 등 클래스 2 의료 장소에서 절연 전원 시스템의 절연 모니터링을 위한 이상적인 선택입니다.
    AKH-0.66P26 현재 변압기 AKH-O 66P26형 변류기는 AIM-M200 절연 모니터를 지원하는 보호 변류기로서 최대 측정 가능 전류는 60A, 변류비는 2000:1이다. 변류기는 캐비닛 내부에 나사로 직접 고정되어 있으며, 2차측은 단자로 인출되어 설치 및 사용이 편리합니다.
    AIL150-4/AIL150-8 절연 결함 탐지기 AIL150-4/AIL150-8 절연 결함 탐지기 adopts high sensitivity transformer combined with a high precision signal detecting circuit, which detects the signal imported into the system from the ASG150 test signal generator and accurately locates the circuits which have insulation faults. AIL150-4 insulation fault locator can locate the insulation faults of 4 circuits, and the AIL150-8 insulation fault locator can locate the insulation faults of 8 circuits.
    ASG150 테스트 신호 발생기 ASG150 테스트 신호 발생기는 32비트 마이크로프로세서 칩과 고정밀 신호 생성 회로를 채택하여 특정 테스트 신호의 생성을 실현합니다. 모니터링되는 IT 시스템에 절연 결함이 있는 경우, 절연 결함 위치를 인식하기 위해 절연 결함 위치를 파악하여 적시에 테스트 신호를 시작하고 생성할 수 있습니다.
    HDR-60-24 전원 모듈 HDR-60-24 직류 전원 공급 장치는 AIM-M200에 24V DC 전원 공급 장치를 동시에 제공할 수 있습니다.
    의료용 지능형 절연 모니터링 기기, ASG150 테스트 신호 발생기, AIL150 시리즈 절연 결함 탐지기 및 AID150 중앙 집중식 경보 및 디스플레이 기기 전원 공급 장치는 고용량, 안정적인 전압 출력 및 편리한 설치로 위에서 언급한 미터의 전원 공급 요구 사항을 충족할 수 있으며 권장되는 전원 공급 장치 제품입니다.
    AID1 50 중앙 집중식 경보 및 디스플레이 장치 AID150 중앙 집중식 경보 및 디스플레이 장비는 LCD 액정 디스플레이를 채택하고 RS485 통신 인터페이스를 통해 AIM-M200 의료용 지능형 절연 모니터링 장비와 데이터 교환을 달성합니다. 이를 통해 AIM-M200 의료용 지능형 절연 모니터링 장비의 다중 채널 데이터를 실시간으로 모니터링할 수 있습니다.

    현장 사진



Acrel Co., Ltd.