연결에 오신 것을 환영합니다
에너지 신산업의 급속한 발전의 맥락에서 다음과 같은 시나리오가 있습니다. 상업 및 산업 에너지 저장 , 배터리 교환 스테이션 , 그리고 가정용 태양광 저장 시스템 에 더 높은 요구를 하게 되었습니다. 정확성, 호환성 및 지능 의 전기 계량 . Acrel Electric은 광범위한 새로운 에너지 지원 계측 솔루션을 개발했습니다. 이러한 솔루션은 저전력 가정용 애플리케이션부터 대규모 산업 및 상업용 에너지 저장 시스템에 이르기까지 계측 요구 사항을 포괄하는 다양한 애플리케이션 시나리오의 핵심 요구 사항에 맞게 맞춤 설계되었습니다. 이 솔루션은 새로운 에너지 시스템의 안정적인 운영과 정밀한 계량을 위한 안정적인 지원을 제공합니다.
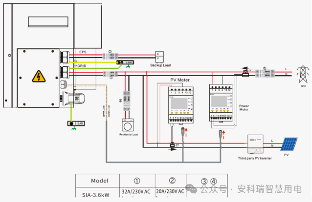
주거용 태양광 발전 및 에너지 저장은 새로운 에너지의 대중화를 위한 중요한 응용 시나리오를 나타냅니다. Acrel은 다음을 포함하여 다양한 하위 시나리오를 대상으로 호환성이 뛰어난 장비 제품을 개발했습니다. 에너지 저장 인버터 매칭, 하이브리드 인버터 통합, 발코니 태양광 저장 시스템 및 마이크로 에너지 저장 지점 간 투명 전송 시스템 . 이러한 제품은 통합, 측정 속도 및 통신 유연성의 균형을 유지합니다.
태양광 및 에너지 저장 시스템의 멀티 브랜드 호환성이라는 시장 특성에 대응하여 전문 대리점의 불확실한 설치 조건을 수용할 수 있도록 RS485 CT 구성을 채택했습니다. 이 장비는 CE-MID, UL 및 RCM 국제 인증을 받았습니다. 50ms의 고속 데이터 새로 고침 속도를 갖춘 이 장치는 위상 순서 조정도 지원하여 정확한 측정과 강력한 호환성을 보장합니다.
올인원 에너지 저장 인버터 설계의 높은 통합 요구 사항과 개조 시나리오의 이중 채널 계측 요구 사항을 위해 장비에는 전압 및 전류 퀵 플러그 터미널과 RJ45 통신 포트가 장착되어 있습니다. 또한 포괄적인 인증 시스템과 함께 50ms의 데이터 새로 고침 속도와 위상 순서 조정을 지원하므로 개조 및 신규 설치 시나리오 모두에 적합합니다.
발코니의 저전력 분산형 태양광 발전 및 에너지 저장 시스템용으로 특별히 설계된 이 솔루션은 높은 통합성과 편리한 설치 및 시운전의 균형을 유지합니다. 게다가 듀얼 채널 미터링 및 퀵 플러그 터미널 , 그것은 또한 지원합니다 WiFi, WiFi 하로우 및 Bluetooth 디버깅 기능 . 무선 설계는 소규모 시나리오에서 설치를 크게 단순화하며 제품은 CE-RED 인증을 받았습니다.
문제를 해결하려면 침투력 저하 및 네트워크 성능 불안정 의 traditional WiFi in micro-energy storage scenarios, WiFi HaLow (Sub-1GHz) 통신 기술이 채택되었습니다. 기존 WiFi와 비교하여 더 강력한 침투력과 더 긴 전송 거리를 제공합니다. LoRa 통신에 비해 전송 속도가 빠르고 안정성이 뛰어납니다. 계측기는 기본적으로 이 기술을 지원하므로 무선 통신을 활성화하려면 인버터 측에 추가 AP만 필요합니다. 또한 일대일, 일대다의 빠른 네트워크 구성을 지원하여 가정용 멀티 인버터 및 발코니 마이크로 스토리지 시스템에 적합합니다.
산업용 및 상업용 에너지 저장 장치, 대규모 에너지 저장 장치 및 배터리 교환 스테이션에는 측정 정확도, 새로 고침 속도, 설치 유연성 및 규정 준수에 대한 엄격한 표준이 필요합니다. Acrel은 다음과 같은 주요 요구 사항을 기반으로 내장형 및 DIN 레일 장착형 계측기 제품을 제공합니다. 다중 관세 청구, 수요 측정, 역류 방지 보호 및 무선 통신 , 신규 설치와 개조 애플리케이션을 모두 지원합니다.
APM521은 해외 CSA(UL) 인증을 획득했으며 최대 0.2s 클래스(클래스 D)의 활성 에너지 측정 정확도를 제공합니다. 실시간 전기 매개변수를 위한 SD 카드 저장 장치가 장착되어 있습니다. 모듈형 메인 유닛 확장 모듈 설계는 임베디드 및 DIN 레일 장착을 모두 지원하여 새 프로젝트의 다양한 설치 요구 사항을 충족합니다.
외부 CT가 장착된 0.5S급 계측기로 대규모 고객 애플리케이션에 널리 사용됩니다. 2차 CT 개조 배선을 지원하고 기존 변류기의 2차측 전류를 직접 클램핑할 수 있어 계기 개조 프로젝트에 매우 적합합니다. 이 제품은 CPA, CE 및 UL 인증을 보유하고 있으며 고성능 애플리케이션 요구 사항을 충족하기 위해 고속 새로 고침 버전으로 사용자 정의할 수도 있습니다.
또한 산업용 및 상업용 솔루션에는 과부하 보호 기능도 통합되어 있습니다. 이 시스템은 고전압 및 저전압 측 에너지 저장 시나리오에 연결될 수 있으며 다중 요금제 전기 계량기와 함께 작동하여 다양한 요금 구조 하에서 정확한 전력 계량을 달성할 수 있으며 산업 및 상업용 에너지 저장 시스템과 배터리 교환 스테이션에 대한 포괄적인 안전 및 에너지 관리 지원을 제공합니다.
신에너지 산업의 지속적인 업그레이드 맥락에서 Acrel은 계속해서 혁신에 집중하고 신에너지 지원 계측 기술 및 제품 시스템을 더욱 개선할 것입니다. 회사는 보다 효율적이고 지능적이며 신뢰할 수 있는 서비스를 제공하는 것을 목표로 합니다. 전기 계량 solutions 상업용 및 산업용 에너지 저장, 배터리 교환 스테이션, 가정용 태양광 저장 애플리케이션에 사용되어 새로운 에너지 산업의 고품질 발전을 촉진하는 데 도움이 됩니다.
